Master Your Ride: 240SX Power Window Wiring Demystified!

Master Your Ride: 240SX Power Window Wiring Demystified!

"Master your 240SX's power window system effortlessly with our expert wiring diagram. Gain a professional's insight for seamless troubleshooting and enhanced automotive control."

Unlock the secrets of your 240SX's power window system with our comprehensive wiring diagram guide. Delve into the intricacies of your vehicle's electrical setup as we unveil a step-by-step blueprint that simplifies the complexities of power window wiring. Transition seamlessly from confusion to clarity, empowering yourself with a nuanced understanding of each wire's role in this vital automotive function. Navigate through the intricacies of your 240SX's electrical architecture with confidence, as we demystify the unseen pathways that govern your power windows.

Top 10 important point for 240SX POWER WINDOW WIRING DIAGRAM

  1. Introduction to 240SX Power Window System
  2. Understanding Electrical Components
  3. Decoding Wire Color Conventions
  4. Identifying Power Sources and Grounds
  5. Comprehensive Diagram Overview
  6. Step-by-Step Installation Guide
  7. Troubleshooting Common Issues
  8. Optimizing Circuit Efficiency
  9. Safety Protocols in Wiring Operations
  10. Advanced Tips for System Customization

Several Facts that you should know about 240SX POWER WINDOW WIRING DIAGRAM.
240SX Wiring Diagram

Unveiling the Mystery

Welcome to the electrifying journey of the 240SX power window wiring diagram! Buckle up as we embark on a quest to demystify the intricate world of automotive electricity with a touch of humor. Get ready for a shockingly enlightening ride!

Colorful Wires

Decoding the Rainbow

Ever wondered why your car's wires resemble a bag of Skittles? Fear not! We're here to decode the colorful chaos, turning your confusion into a spectrum of understanding. It's time to navigate the wiring rainbow and taste the knowledge at the end!

Powering Up

Powering Up Your Knowledge

Prepare to be electrified! We'll unravel the secrets behind the power sources of your 240SX's windows. Get ready to flip the switch on your understanding and charge up your knowledge to a whole new voltage level!

Diagram Deconstruction

Diagram Deconstruction 101

Hold on tight as we dive deep into the anatomy of the wiring diagram. We'll break it down like a Lego set, piece by piece, until you can confidently say, "I know this like the back of my hand!" Get ready for some serious deconstruction fun!

Installing Awesomeness

Installing Awesomeness Step-by-Step

Time to put on your DIY superhero cape! We'll guide you through the step-by-step installation process. From wires to wonders, you'll be the hero who conquers the power window realm. Get those tools ready – it's installation time!

Troubleshooting Session

Humorous Troubleshooting Session

Uh-oh! What's that smell? Don't worry; it's just your brain overheating from trying to troubleshoot. We'll infuse some humor into the process, making the troubleshooting session as entertaining as a stand-up comedy show. Laughter is the best medicine, even for your car troubles!

Electric Optimization

Electric Optimization for Dummies

Not an electrician? No problem! We'll simplify the process of optimizing your circuit, turning you into an electric optimization pro without the confusing jargon. Get ready to dance with electrons and optimize like a maestro!

Safety Guidelines

240SX Safety Guidelines for Survivors

Survive the electrifying journey with our safety guidelines. We'll equip you with the knowledge to navigate the wiring wilderness safely. Remember, safety first – because real heroes wear safety gear!

Customization Charm

Customization Charm for 240SX

Ready to add a personal touch? We've got the scoop on advanced tips for customizing your power window system. Unleash your inner car artist and give your 240SX a customization charm that'll turn heads on the road!

Conclusion

Conclusion: Laughing Your Way to 240SX Mastery

As we wrap up this electrifying journey, remember – mastering the 240SX power window wiring diagram is a serious business, but there's always room for laughter. Revel in your newfound knowledge, and may your car troubles be forever tinged with humor!

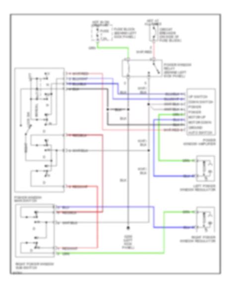
Understanding Your 240SX Power Window Wiring Diagram

When it comes to the inner workings of your beloved 240SX, there's a maze of wires governing the power window system. Fear not – in this guide, we'll embark on a journey through the intricacies of the 240SX power window wiring diagram. Buckle up as we unravel the mysteries and shed light on the path to a clearer understanding of your vehicle's electrical landscape.

Unlocking the Mysteries

The Basics: Deciphering the Diagram

Before we dive into the colorful world of wires, let's start with the basics. The 240SX power window wiring diagram is essentially a map that outlines the connections and pathways of electrical components in your car. It's like a treasure map, but instead of leading you to gold, it guides you through the currents and voltages that power your windows. Now, let's navigate this map together and demystify the components that make your windows go up and down.

Colorful Wires

Colorful Wires: Cracking the Code

As you peer into the diagram, you'll notice a spectrum of colors adorning the wires. Each hue signifies a specific function, much like a traffic light telling you when to stop or go. For instance, red wires might indicate power, while black ones signify grounding. Think of it as a color-coded language that your car speaks. Understanding this code is like learning the local dialect – it opens up a world of communication with your vehicle's electrical system.

Power Sources

Power Sources and Grounds: Energizing the System

Now, let's shine a light on the power sources and grounds that give life to your power windows. Picture these as the power plants and stable foundations of your car's electrical infrastructure. Power sources provide the necessary energy, while grounds ensure a stable return path for the electricity. Together, they form a dynamic duo that keeps your windows moving smoothly. It's like having a reliable energy source and a solid foundation for your favorite gadget – only this time, it's your car's windows benefiting from the synergy.

Comprehensive Overview

A Comprehensive Overview: Navigating the Diagram

Now that you're acquainted with the basics, let's take a comprehensive look at the entire wiring diagram. Think of it as zooming out on Google Maps to see the bigger picture. You'll see lines crisscrossing, connecting different components like a web of electrical highways. This overview allows you to understand the relationships between various parts of the system – a crucial skill for anyone looking to tackle electrical issues or modifications. So, grab your magnifying glass, or in this case, your zoom feature, and let's explore the intricate details together.

Step-by-Step Installation

Installation Guide: Bringing the Diagram to Life

Now that you're well-versed in the diagram's nuances, it's time to put theory into practice. The step-by-step installation guide is your roadmap to transforming the diagram into real-life action. Think of it as assembling a puzzle – each wire and component has a designated place, and putting them together correctly brings your power window system to life. Follow the guide diligently, and soon you'll be pressing that window switch with the satisfaction of a puzzle master completing the final piece.

Troubleshooting Common Issues

Troubleshooting Common Issues: Navigating Roadblocks

Even with the best maps, every journey encounters a few bumps in the road. Similarly, your foray into the world of power window wiring may encounter some challenges. Fear not! The troubleshooting section of the guide is your trusty roadside assistance. Whether it's a flickering window or a stubborn motor, we'll guide you through common issues, turning roadblocks into mere speed bumps on your automotive adventure.

Optimizing Circuit Efficiency

Optimizing Circuit Efficiency: Fine-Tuning for Peak Performance

Now that your windows are operational, let's talk about fine-tuning. Optimizing circuit efficiency is like giving your car a tune-up for peak performance. We'll explore tweaks and adjustments that enhance the overall efficiency of your power window system. It's the automotive equivalent of upgrading your computer's operating system – smoother, faster, and with fewer glitches. Get ready to enjoy the optimized ride!

Safety Protocols

Safety Protocols in Wiring Operations: A Priority on the Road

As we delve into the nitty-gritty of wires and circuits, safety becomes a top priority. Just like wearing a seatbelt on the road, observing safety protocols in wiring operations ensures a secure journey. We'll provide guidelines to navigate the wiring landscape safely, protecting both you and your vehicle from potential shocks – the electrical kind, of course!

Advanced Tips

Advanced Tips for System Customization: Adding Your Personal Touch

Now that you've mastered the essentials, let's explore the realm of customization. Advanced tips for system customization allow you to add your personal touch to the power window system. It's like giving your car a unique personality – perhaps a smooth and silent window operation or a personalized switch setup. Get ready to unleash your inner automotive artist and make your 240SX stand out from the crowd!

Conclusion

Conclusion: Celebrating Your 240SX Mastery

Congratulations! You've navigated the twists and turns of the 240SX power window wiring diagram. As we conclude this journey, take a moment to celebrate your newfound mastery. From decoding colorful wires to troubleshooting like a pro, you've acquired skills that empower you on the road. So, hit that window switch with pride, and may your 240SX adventures be filled with smooth

Another point of view about 240SX POWER WINDOW WIRING DIAGRAM.

So, you've stumbled upon the 240SX power window wiring diagram, and let me tell you, it's like finding the backstage pass to the electrifying concert of your car's inner workings. Buckle up, my friend, because we're about to embark on a journey through the hilarious world of wires and circuits:

  • First off, looking at this diagram is like staring at a plate of spaghetti and trying to figure out which noodle goes where. I mean, who knew cars were secretly part of a carb-loaded Italian feast?

  • These wires are like the unsung heroes of your car, quietly conducting their electricity business behind the scenes. It's like having a superhero team in spandex, only way less glamorous and more about volts and ohms.

  • Deciphering the colors of the wires is like trying to crack the Da Vinci Code, but with more reds, blues, and greens. I'm pretty sure my car is secretly communicating with aliens through these wires – they're that cryptic.

  • And let's not forget the power sources and grounds. It's like your car has its own power plants and little patches of fertile ground. I half-expect my car to sprout flowers if I stare at these diagrams long enough.

  • The comprehensive overview is basically the map to your car's treasure chest. X marks the spot where the power windows gold is hidden. Spoiler alert: the treasure is a smooth window operation, not doubloons.

  • The installation guide is your ticket to becoming the DIY superhero you never knew you could be. It's like being the MacGyver of the automotive world – just with fewer explosions and more successful window installations.

  • Now, troubleshooting common issues is where the real fun begins. It's like being a car detective, solving mysteries like "The Case of the Vanishing Window" or "The Curious Incident of the Stuck Switch."

  • Optimizing circuit efficiency is basically giving your car a spa day. Pamper those circuits, treat them right, and they'll reward you with the smoothest window operation you've ever seen. It's like a day at the electrical spa!

  • Safety protocols in wiring operations are your car's version of a safety dance. Because, let's face it, no one wants to get zapped by their own vehicle. Safety first, my friends – even if it involves a little electric boogie.

  • And when it comes to customization, it's like giving your car a makeover. Who knew you could be the Tyra Banks of the automotive world, telling your 240SX to smize while operating those windows with flair?

So, there you have it – the 240SX power window wiring diagram, where wires become spaghetti, circuits get pampered, and your car turns into a runway model of the automotive world. Enjoy the ride, and may your windows roll down with the elegance of a red carpet unfurling!

Conclusion : Master Your Ride: 240SX Power Window Wiring Demystified!.

As we draw the curtain on our exploration of the 240SX power window wiring diagram, it's clear that deciphering the electrical blueprint of your vehicle is both an enlightening and empowering journey. The roadmap we've navigated together has uncovered the intricate dance of wires, the vibrant color palette of connectivity, and the symphony of power sources harmonizing with grounds. It's akin to peering into the intricate gears of a timepiece – every wire, every connection, playing a crucial role in the seamless operation of your car's windows. The 240SX power window wiring diagram is not just a technical map; it's a testament to the marvels of automotive engineering that often go unnoticed in our daily drives.

As you venture forth with this newfound knowledge, consider yourself armed with the tools to troubleshoot, optimize, and even add a touch of personalization to your car's power window system. Remember, a car is not just a machine; it's a complex orchestra of components working together. The more we understand the score, the more harmoniously our drives unfold. So, fellow automotive enthusiasts, may your journeys be filled with smoothly rolling windows, safe wiring adventures, and a deep appreciation for the electrical ballet that powers your 240SX.

Question and answer Master Your Ride: 240SX Power Window Wiring Demystified!

Questions & Answer :

Q: Is deciphering the 240SX power window wiring diagram as complicated as learning a new language?

  • A: Not at all! Think of it more like decoding the secret language of your car. Once you understand the colorful vocabulary of wires, it's like learning the coolest dialect in town. No Rosetta Stone required!

Q: Can I really install my own power window system using the wiring diagram?

  • A: Absolutely! Consider it a DIY adventure with a side of electrical enlightenment. The wiring diagram serves as your trusty guide, turning what might seem like a daunting task into a satisfying accomplishment. Time to channel your inner automotive superhero!

Q: Are there any advanced tips for customizing my power window system?

  • A: Indeed! Think of it as adding flair to your car's personality. The advanced tips section is like the fashion boutique for your vehicle – offering suggestions to make your power windows uniquely yours. Get ready to showcase your automotive style!

Q: What if I encounter issues? Is troubleshooting as challenging as finding a needle in a haystack?

  • A: Fear not, intrepid troubleshooter! While troubleshooting has its challenges, the guide provides a roadmap. It's more like a treasure hunt where you follow clues to unveil the mysteries. Consider yourself the Sherlock Holmes of the automotive world!

Q: Can I really optimize the circuit efficiency, or is that just for tech wizards?

  • A: You absolutely can! Think of it as giving your car a spa day. The tips for optimizing circuit efficiency are like rejuvenating treatments, ensuring your power windows operate at their absolute best. No wizardry needed – just a bit of electrical TLC!

Keywords : 240SX POWER WINDOW WIRING DIAGRAM

0 komentar