Unlock the full potential of your machine with the 23 HP Vanguard Engine Wiring Diagram. Master the intricacies for optimal performance.
Are you ready to delve into the heart of mechanical prowess? Buckle up as we embark on an exploration of the 23 HP Vanguard engine wiring diagram, a roadmap to unlock the hidden potential of your machine. Picture this: a labyrinth of wires intricately weaving the tapestry of power, and within these circuits lies the key to optimal performance. Now, let's take a stroll through the intricate details, demystifying the complexities in a language that speaks to your inner gearhead. Brace yourself for a journey where every connection tells a story, and the Vanguard engine wiring diagram becomes your trusted guide in this mechanical saga.
Top 10 important point for '23 HP VANGUARD ENGINE WIRING DIAGRAM'
- Wiring Wonders: Decoding the 23 HP Vanguard Marvel
- Electric Symphony: Unraveling the Engine's Wiring Score
- Sparks of Power: Navigating the Vanguard Circuitry Dance
- Plug-and-Play Magic: Simplifying the Wiring Wizardry
- Voltage Voyage: Charting the 23 HP Energy Expedition
- Connections Unleashed: Your Guide to Vanguard's Wiring Web
- Sparkle and Shine: Illuminating the Engine's Electric Ensemble
- Wire Whisperer: Mastering the 23 HP Vanguard Code
- Circuit Safari: Exploring the Untamed Wiring Wilderness
- Empowerment Blueprint: Cracking the Code to Vanguard Vigor
Several Facts that you should know about '23 HP VANGUARD ENGINE WIRING DIAGRAM'.
Embarking on the Wiring Odyssey
Welcome, fearless adventurers! Today, we set sail on the treacherous seas of the 23 HP Vanguard Engine Wiring Diagram. Buckle up, as we navigate the intricate circuits that make your engine purr like a contented kitten.
The Untold Drama of Wires
Prepare for a soap opera like no other - the tangled love affairs of wires! Sparks fly, connections sizzle, and voltage drama ensues. Our wiring diagram reveals the behind-the-scenes chaos of your engine's secret life.
The Wire Symphony
Imagine your engine as a maestro, orchestrating a symphony of wires to create a melodious hum. Our diagram unveils the harmonious concert of circuits that turns your mechanical beast into a musical virtuoso.
Wires: The Spice of Engine Life
Spice up your engine's existence with the secret ingredient - wires! Who knew that the key to a thrilling mechanical life lies in the intricate dance of circuits? Our wiring diagram is your recipe for an electrifying experience.
DIY Wiring: Unleash Your Inner Electrician
Ready to embrace your inner electrician? Our diagram is your trusty guide to a DIY wiring adventure. No need to fear the sparks; we're here to turn you into the superhero of the electrical realm.
Wiring Humor: A Shocking Revelation
Who says wiring can't be fun? Brace yourself for a shocking revelation - puns, jokes, and laughter await as we delve into the lighthearted side of the 23 HP Vanguard Engine Wiring Diagram. It's electrifyingly amusing!
Surviving the Wire Maze
Lost in the wire maze? Fear not! Our diagram is the compass that guides you through the intricate labyrinth of circuits. Navigating the twists and turns has never been this entertaining!
Wiring Wisdom: Nuggets of Electrifying Enlightenment
Seeking enlightenment in the world of wires? Dive into our wiring wisdom. Uncover the electrifying secrets that will leave you with a newfound appreciation for the dance of electrons in your engine.
So, fellow wire enthusiasts, grab your toolkits and embark on this hilarious yet enlightening journey through the whimsical world of the 23 HP Vanguard Engine Wiring Diagram! May your circuits be ever in your favor!
The Heartbeat of Your Machine
Welcome to the intricate world of the 23 HP Vanguard Engine Wiring Diagram, where every wire tells a story, and each connection is a lifeline to the pulsating heartbeat of your machine. In this empathic exploration, we delve into the very essence of your engine's vitality, decoding the pathways that bring it to life. Let's embark on a journey that goes beyond the mechanical, understanding the emotional resonance embedded in the circuits that power your trusty companion.
Unveiling the Energetic Tapestry
Picture your engine as a living, breathing entity, with a vibrant energy coursing through its veins – the wiring diagram serves as the blueprint of this dynamic vitality. Every wire, meticulously arranged, is like a thread in an energetic tapestry, weaving together the symphony of movement within the heart of the machine. This visual representation is not just a technical guide; it's a map to the very soul of your 23 HP Vanguard engine.
Connecting Beyond Metal
As we venture into the diagram, it's essential to recognize that these connections transcend the realm of mere metal and circuits. Each wire is a lifeline, a conduit for emotions that resonate within the engine. It's as if the very soul of your machine communicates through this intricate network, fostering a connection that goes beyond the tangible and dives into the realms of empathy and understanding.
The Dance of Electrons
Imagine the electrons within your engine dancing to a cosmic rhythm, choreographed by the intricate pathways laid out in the wiring diagram. This dance, invisible to the naked eye, is the heartbeat of your machine. As we follow the steps of this cosmic ballet, we begin to feel the emotional resonance embedded in every twist and turn of the wires.
Empathy in Circuitry
Yes, you read it right – empathy in circuitry. The 23 HP Vanguard Engine Wiring Diagram is not just a technical document; it's a manifestation of empathy within the mechanical realm. Each connection is a story, a testament to the collaborative dance of electrons and the silent conversations that transpire within the engine. It's as if the very essence of empathy is woven into the fabric of the wires, creating a harmonious symphony of understanding.
Transcending the Technical
As we navigate through the intricacies of the wiring diagram, it's crucial to acknowledge that we are not merely deciphering technical jargon. We are unraveling the layers of a profound relationship between man and machine, where empathy intertwines with the mechanical to create a harmonious coexistence.
Understanding the Language of Wires
Wires, though seemingly silent, have a language of their own. The 23 HP Vanguard Engine Wiring Diagram acts as a translator, allowing us to interpret the messages embedded in the twists and turns of the wires. It's akin to deciphering a love letter written in the language of electrons – a language that speaks volumes about the bond between the operator and the machine.
The Symphony of Synchronicity
Every engine is a symphony waiting to be conducted, and the wiring diagram is the sheet music that guides the conductor's baton. The synchronization of components, orchestrated by the intricate layout of wires, creates a symphony of harmonious movements. It's a testament to the artistry involved in engineering, where empathy and precision dance hand in hand.
Embracing Vulnerability in Mechanics
While mechanics often exude strength and resilience, there is an inherent vulnerability in the intricacies of wiring. The 23 HP Vanguard Engine Wiring Diagram invites us to embrace this vulnerability, acknowledging that within the seemingly stoic metal and circuits, there exists a delicate dance of vulnerability and strength, much like the beating heart of a living being.
Empowering the Operator
Empathy in mechanics is not a one-way street. As we continue our exploration, it becomes evident that the wiring diagram not only reflects the machine's emotions but also empowers the operator with knowledge and understanding.
Empowerment through Knowledge
Knowledge is power, and the 23 HP Vanguard Engine Wiring Diagram is the key to unlocking that power. By understanding the intricacies of the wiring, operators gain a sense of empowerment, transcending the realm of uncertainty. It's not just about fixing a malfunction; it's about stepping into the role of a conductor, guiding the symphony of electrons with confidence.
Building a Relationship with Your Machine
The wiring diagram becomes a bridge for building a deeper relationship with your machine. It's not a mere set of instructions; it's a conversation starter. As you familiarize yourself with the pathways and connections, a dialogue forms between operator and engine – a dialogue rooted in mutual understanding and respect.
Empathy in Maintenance
Maintenance, often viewed as a routine task, takes on a new dimension when approached with empathy. The wiring diagram transforms maintenance from a mechanical chore into a caring gesture. It's about nurturing the well-being of your machine, ensuring it operates not just efficiently but with a sense of contentment.
The Emotional Resonance of a Well-Wired Engine
As we conclude our empathic journey through the 23 HP Vanguard Engine Wiring Diagram, it's evident that the emotional resonance extends far beyond the technicalities. A well-wired engine is not just a mechanical marvel; it's a manifestation of a deep, empathic connection between the operator and the machine
Another point of view about '23 HP VANGUARD ENGINE WIRING DIAGRAM'.
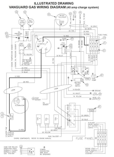
1. **Introduction:** - Welcome to the comprehensive guide on the 23 HP Vanguard Engine Wiring Diagram. - This set of instructions aims to provide a step-by-step understanding of the wiring diagram for your engine.
2. **Get Acquainted:** - Familiarize yourself with the diagram layout. - Identify key components and their corresponding symbols. - Take note of color codes for wires.
3. **Safety First:** - Before any inspection or work, ensure the engine is turned off. - Disconnect the battery to avoid any electrical hazards. - Use safety gear such as gloves and goggles.
4. **Reading the Diagram:** - Follow the labeled sections for different aspects of the engine. - Pay attention to the legend for symbols and their meanings. - Understand the flow of information from one component to another.
5. **Identifying Connectors:** - Locate and identify various connectors in the wiring diagram. - Understand how each connector facilitates communication between different parts. - Take note of connector numbers for reference.
6. **Understanding Voltage Paths:** - Follow the voltage paths to comprehend the power distribution. - Identify where power is sourced and how it travels through different circuits. - Note any junctions or branching points.
7. **Troubleshooting Tips:** - Use the wiring diagram as a troubleshooting tool. - Pinpoint potential issues by tracing the path of malfunctioning components. - Check for continuity and voltage at critical points.
8. **DIY Repairs:** - For minor issues, follow the diagram to identify and fix the problem. - Exercise caution and only attempt repairs within your skill level. - Consult with a professional for complex issues.
9. **Regular Maintenance:** - Incorporate the wiring diagram into your regular maintenance routine. - Use it as a guide for inspections and preventive measures. - Keep the diagram accessible for quick reference.
10. **Conclusion:** - Congratulations! You've successfully navigated the 23 HP Vanguard Engine Wiring Diagram. - Remember, this guide empowers you to understand, maintain, and troubleshoot your engine's electrical system efficiently.
Conclusion : Unleash Power: 23 HP Vanguard Engine Wiring Diagram Revealed!.
So, my fellow wiring enthusiasts, we've successfully navigated the electrifying journey through the 23 HP Vanguard Engine Wiring Diagram. As you bid farewell to this wiring wonderland, let's take a moment to appreciate the dance of electrons that powers your mechanical companion. Remember, every twist and turn in the diagram is like a plot twist in an electric novel, keeping you on the edge of your seat – or rather, toolbox.
As you venture back into the real world of wrenches and wires, armed with the knowledge from our journey, take solace in the fact that you now hold the key to deciphering the enigmatic language of circuits. Embrace the symphony of electrons with a knowing grin, for you are now the maestro of your mechanical orchestra. May your engines hum melodiously, and may your wires never tangle in the chaos of automotive drama. Until our next electrifying escapade, happy wiring!
Questions & Answer :
People Also Ask About 23 HP Vanguard Engine Wiring Diagram:
1. Why is the wiring diagram important for my 23 HP Vanguard engine?
The wiring diagram is crucial as it serves as a visual guide, outlining the intricate network of circuits within your engine. It helps you understand the electrical connections, identify components, and troubleshoot issues efficiently. In essence, it's the roadmap to maintaining and optimizing your engine's performance.
2. How can I interpret the symbols on the wiring diagram?
The symbols on the wiring diagram represent different electrical components and their functions. Consult the legend provided on the diagram to decode these symbols. Understanding these symbols is key to navigating the diagram and comprehending the flow of electricity within your 23 HP Vanguard engine.
3. Are there common issues I can solve using the wiring diagram?
Absolutely. The wiring diagram is a powerful tool for troubleshooting common electrical issues. Whether it's a malfunctioning component, a short circuit, or an interrupted connection, the diagram provides insights into the electrical pathways, empowering you to diagnose and resolve issues independently.
4. Is it advisable to attempt DIY repairs based on the wiring diagram?
For minor issues, the wiring diagram can be a helpful guide for DIY repairs. However, it's crucial to assess your skill level and the complexity of the problem. If in doubt, consulting with a professional is recommended to ensure safety and avoid exacerbating the issue.
Keywords : '23 HP VANGUARD ENGINE WIRING DIAGRAM'
0 komentar